商業出版社聯合書展
看圖讀懂半導體製造裝置
2
3人評分我要評價

看圖讀懂半導體製造裝置

図解でわかる 半導体製造装置

  • 定價:350
  • 優惠價:75262
  • 優惠期限:2025年11月20日止
  • 運送方式:
  • 臺灣與離島
  • 海外
  • 可配送點:台灣、蘭嶼、綠島、澎湖、金門、馬祖
  • 可配送點:台灣、蘭嶼、綠島、澎湖、金門、馬祖
載入中...
  • 分享
 

內容簡介

  清華大學動力機械工程學系教授 羅丞曜  審訂

  得半導體得天下?
  要想站上世界的頂端,就一定要了解什麼是半導體!

  半導體可謂現在電子產業的大腦,從電腦、手機、汽車到資料中心伺服器,其中具備的智慧型功能全都要靠半導體才得以完成,範圍廣布通信、醫療保健、運輸、教育等,因此半導體可說是資訊化社會不可或缺的核心要素!

  半導體被稱為是「產業的米糧、原油」,可見其地位之重要
  臺灣半導體產業掌握了全球的科技,不僅薪資傲人,產業搶才甚至擴及到了高中職!
  但,到底什麼是半導體?半導體又是如何製造而成的呢?

  本書詳盡解說了製造半導體的主要裝置,並介紹半導體所有製程及其與使用裝置的關係,從實踐觀點專業分析半導體製造的整體架構,輔以圖解進行細部解析,幫助讀者建立系統化知識,深入了解裝置的構造、動作原理及性能。
 

作者介紹

監修者簡介

菊地正典


  1944年生,1968年東京大學工學部物理工學科畢業後,即進入日本電氣公司(NEC),長期從事半導體元件及製程開發相關工作,累積半導體開發與量產的豐富經驗。1996年擔任NEC公司半導體事業集團總工程師,2000年擔任NEC電子元件總工程師,2002年起擔任日本半導體製造裝置協會(SEAJ)專務理事。

執筆者簡介

賴金雅春


  1972年神戶大學工學部畢業後,即任職於日本電氣公司(NEC),負責超高速半導體元件、製程開發工作,並於相模原事業場從事半導體製造工廠前段製程到後段製程的生產線及製程品質管理。2002年4月起,外派至日本半導體製造裝置協會。共同著作有《ULSI製造裝置實用便覽》(Science Forum)。

春日壽夫

  1970年大阪大學基礎工學部畢業後,即任職於日本電氣公司(NEC),進行半導體封裝技術開發,以及執行美國NEC公司半導體後段工程的工場建設及營運。目前從事NEC Electronics的技術涉外總括業務,並兼任JEITA及IEC半導體.實裝相關標準化與技術動向委員會的要職。主要著作有:《CSP/BGA技術》、《CSP實裝技術》(以上日刊工業新聞社出版)、《高密度實裝技術100問》(工業調查會)等。

譯者簡介

張萍


  二○○一年起從事日文翻譯迄今,未曾間斷、從不拖延。
  喜歡透過語文轉換,擴充不同領域的知識、拓展美麗新世界。

 
 

目錄

前言

第1章 概觀半導體製程
1-1 前段製程與後段製程
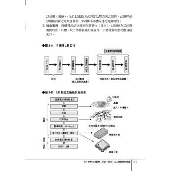
前段製程安裝元件、配線;後段製程進行組裝、選別、檢驗等8
1-2 元件形成製程(前段製程 FEOL) 1
從晶圓洗淨、氧化到閘極氧化層之形成12
1-3 元件形成製程(前段製程 FEOL) 2
閘極多結晶矽之形成到埋設接觸孔16
1-4 配線形成製程(前段製程 BEOL)
將電晶體等以金屬配線、接續後形成迴路20
1-5 晶圓電路檢查製程
確認埋入晶圓內晶片迴路特性,判定其優、劣24
1-6 組裝製程(後段製程)
將優質的晶片與外埠端子連接,用薄膜來保護晶片26
1-7 選別、檢驗製程(後段製程)
逐個檢查已完成之LSI電力特性、尺寸、外觀28
Column新材料、新技術持續登場29
1-8 製造流程與所使用之裝置
各元件構成零組件之流程概觀30

第2章 前段製程(洗淨 ~ 曝後烤)之主要製程與裝置
2-1 洗淨 1
一般使用藥劑之化學性清除方法40
2-2 洗淨 2
晶圓洗淨技術與新興洗淨技術43
2-3 乾燥
晶圓處理後務必要水洗、乾燥45
2-4 氧化
將晶圓矽表面轉換為矽氧化層47
2-5 化學氣相沈積(CVD) 1
讓反應瓦斯進行化學反應,沉積出膜49
2-6 化學氣相沈積(CVD) 2
ALD與Cat-CVD52
2-7 光阻蝕劑塗佈
圖形(pattern)加工前之光阻蝕劑塗佈54
2-8 預烤
將光阻蝕劑稍微加熱56
2-9 曝光 1
步進機(stepper) 、掃描機(scanner)、液浸曝光裝置57
2-10 曝光 2
EUV與圖形解析度提升技術59
2-11 曝光 3
電子束曝光裝置62
Column曝光裝置方式63
2-12 顯像.曝後烤
在光阻蝕劑上製作圖形,燒刻64

第3章 前段製程(乾式蝕刻~金屬鍍膜) 之主要製程與裝置
3-1 乾式蝕刻 1
反應性離子蝕刻裝置 72
3-2 乾式蝕刻 2
非等向性蝕刻與等向性蝕刻74
3-3 抗蝕劑剝離.灰化
去除不要之光阻蝕劑76
3-4 CMP
表面研磨、平坦化78
3-5 濕式蝕刻
整體蝕刻之主要用途80
Column矽化物技術82
3-6 不純物質(雜參)導入裝置 1
離子佈植83
Column離子佈植光罩84
3-7 不純物質(雜參)導入裝置 2
新的不純物質導入技術85
3-8 氧化層蝕刻(反蝕刻)
閘極側璧以自我對準方式形成絕緣膜87
3-9 PVD(物理氣相沉積)裝置 1
濺鍍88
3-10 PVD(物理氣相沉積)裝置 2
各種PVD技術91
3-11 熱處理(退火)
非活性氣體中之晶圓熱處理93
3-12 鍍膜
將配線用的銅金屬做全面性的鍍膜95
3-13 其他技術.裝置 1
磊晶沉積、熱擴散97
3-14 其他技術.裝置 2
絕緣膜塗佈、奈米壓印99

第4章 後段製程(切割~接合) 之主要製程與裝置
4-1 封裝 1
封裝的種類與特徵108
4-2 封裝 2
從實裝技術來看半導體封裝的趨勢112
Column為何需要高密度實裝技術115
4-3 LSI後段製程方法
將LSI裝置以封裝方法收?116
4-4 研磨
薄化矽晶圓118
4-5 切割
將矽晶圓分割為單個積體電路120
Column藉由超純水洗淨破壞半導體晶片的靜電123
4-6 黏晶
將分割後的半導體晶片搭載於封裝基板124
4-7  打線接合
將分割後的半導體晶片與外部電力連接126
Column未來的新型態打線接合技術129
4-8 無接線接合
將半導體晶片與外部電力以無接線方式接合130

第5章 後段製程(樹脂封裝、端子加工、檢查)之主要製程與裝置
5-1 樹脂封裝 1
導線架型封裝之傳送模塑樹脂封裝裝置140
Column為何無鉛對環境保護來說是必要的?142
5-2 樹脂封裝 2
僅有基板單邊設有縫細,可以樹脂封裝金屬方式注入樹脂144
5-3 導線架式封裝端子加工
鍍、導線成形裝置146
5-4 BGA式封裝端子加工
附有球型、封裝切斷.分離152
5-5 標記(Marking)
於封裝產品上標記姓名與地址154
5-6 無接線接合中具有代表性之後段製程製造方法案例
TBGA與FCBGA 156
5-7 3D晶片堆疊構裝
晶片堆疊之高密度、高性能化160
Column何謂半導體~機器組合系統之統合設計163
5-8 晶圓階段之封裝
後段製程中,直接以擴散製程製造晶圓的方式
Column裸晶封裝所需要的KGD167
5-9 半導體檢查製程
LSI檢查168

索引 176

 
 



21世紀的今日,資訊化的浪潮正衝擊整個世界。


  使用個人電腦的網際網路、以行動電話為代表的行動儀器等,皆以相當快的速度普及,從資訊與家電業的茁壯,資訊化的波浪已拍打著業界與一般的社會活動,甚至於個人的生活,而使人感受深切。

  另外,作為網路中每一個要角的電子儀器,也隨著日益多功能化、高性能化而逐漸的塑造出另一個新貌,成為更具智慧且更為複雜的系統。

  之所以能夠出現這種電子儀器,或者使電子儀器帶來進步,其基石則為作為核心主角的關鍵元件─半導體以及藉由半導體而開花結果的「積體電路(IC)」。

  半導體就如同「米」或「原油」一般,已廣泛地滲透於整個社會,而成為現代社會的主要支柱之一。但除了一部份人士之外,相信絕大部分的人都尚未清楚了解半導體的實體。

  因此,依據本人長期在半導體產業中接觸的經驗與體驗,嘗試編寫這本書,希望能使更多的人能夠對半導體(IC)有更深一層的認識。

  當所有的相關技術皆已深具基礎之後,才有可能在專門技術上深耕,「彙集各種技術」之後,才能夠誕生半導體。本書中的內容至少已掌握這一原則,也希望能夠作為對半導體已具有一定基礎者的參考資料。

  最後,對於執筆本書編寫之際給予熱誠鼓勵的朋友們一併上謝忱。
 
 

詳細資料

  • ISBN:9786267172001
  • 叢書系列:科學視界
  • 規格:平裝 / 192頁 / 14.8 x 21 x 1.22 cm / 普通級 / 單色印刷 / 初版
  • 出版地:台灣
 

內容連載

2-1 洗淨①  一般使用藥劑之化學性清除方法
 
1. 洗淨的目的
 
LSI 前段製程中會產生一些異物,如微粒子(雜質)、有機物質、金屬等,還有的會因為處理之裝置而產生(裝置中可動部位之零件材料摩擦、已成膜之薄膜剝離龜裂等)、因人體、衣服所產生的(汗水、皮屑、化妝品、纖維等)、以及其他在無塵室內構成材料所產生的異物,簡直可以說是琳瑯滿目。
 
在LSI 前段製程中會進行退火處理、蝕刻、薄膜形成等製程,但是在處理晶圓之際,若有異物附著於晶圓時,晶圓(矽晶)上所不必要的雜質就會被擴散,並且成為異物而被卡在薄膜與薄膜之間。結果造成電路圖形有所缺陷,這些不必要的雜質也會被矽晶與絕緣膜擴散出去,使我們無法獲得原先所期待的電路特性。
 
晶圓的洗淨製程,是指在進行晶圓處理之前,在不會造成傷害的情況下,去除附著於晶圓上異物的製程。
 
洗淨製程雖然佔了整個LSI 製程的20 ∼ 30% ,但是為了不讓晶圓上有多餘的材料或是形狀殘留,因此通常大多會在流程說明時予以省略。
 
2. 洗淨的方法
 
洗淨的方法可大致區分為化學分解,以及藉由物理力量去除的方法。此外,根據洗淨所使用的媒介不同,還可分為以藥水及純水的濕式洗淨製程,以及使用氧氣及臭氧的乾式洗淨製程。
 
通常我們會組合搭配使用上述這些方法來進行洗淨製程,一般會使用藥水來進行化學性分解、並去除這些雜質。藥水的成分有:硫酸與過氧化氫的混合液(SPM)、氫氧化銨與過氧化氫的混合液(APM)、鹽酸與過氧化氫混合液(HPM)等。
 
在APM 的洗淨製程中,使用會對矽晶表面產生強烈氧化效果的過氧化氫,過氧化氫會氧化矽晶表面,並產生矽氧化層。接著再藉由氫氧化氨去除該矽氧化層,異物即會浮出表面以方便清除,並兼具剝落效果(Lift-off Effect)。所謂剝落效果是指,將晶圓表面變薄後蝕刻,以去除表面異物之效果。使用氫氟酸溶液(DHF : Dilute HydrofluoricCcid)的洗淨法即是使用氧化膜蝕刻、以去除異物的剝落效果。
 
我們會在金屬配線成形後的製程中,使用不會將鋁等配線金屬溶解的有機溶劑(乙醇類、丙酮類)。

會員評價

2
3人評分
|
3則書評
|
立即評分
user-img
3.0
|
2023/07/29

外行人快速了解半導體的工具書,內容並沒有牽涉太多難懂的理論,對產業整體局面的全局了解很有幫助。但比較推薦給非專業背景的讀者閱讀或者新加入產業的讀者,業內人士也許會覺得觀念偏向初淺
展開
user-img
Lv.1
2.0
|
2023/01/02

可以讓非行業相關人員快速了解半導體製造大概會用到哪些製程,但感覺中譯有很大問題,不知道是校對問題還是如何,有些地方看起來甚至很像機翻…
展開
user-img
Lv.1
1.0
|
2022/08/01

校對滿不仔細的,從上一本半導體工廠到這一本新書,錯的地方ㄧ模一樣,滿糟糕的。中文校對有誤原作者寫的再好也是枉然。
展開

最近瀏覽商品

 

相關活動

  • 【自然科普、電腦資訊】AI時代的職場生存術:打開職場新思維,打造新世代職場競爭力,電子書85折起
 

購物說明

若您具有法人身份為常態性且大量購書者,或有特殊作業需求,建議您可洽詢「企業採購」。 

退換貨說明 

會員所購買的商品均享有到貨十天的猶豫期(含例假日)。退回之商品必須於猶豫期內寄回。 

辦理退換貨時,商品必須是全新狀態與完整包裝(請注意保持商品本體、配件、贈品、保證書、原廠包裝及所有附隨文件或資料的完整性,切勿缺漏任何配件或損毀原廠外盒)。退回商品無法回復原狀者,恐將影響退貨權益或需負擔部分費用。 

訂購本商品前請務必詳閱商品退換貨原則 

  • 方言領券
  • 日月領券
  • 奇幻基地全書系(止)